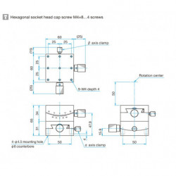
OSE-GOH-60B: Goniometer, 60 x 60 mm
 
        
          
										
										
									
                                
                              
      
  
Artikel-Nr.: OSE-GOH-60B50
 
          
                Für mehr Infos
                Experten kontaktieren
            
Optik & Optomechanik Team 
Tel.: +49 8153 405-11
Produktanfrage
check_circle Question sent
error Your question cannot be sent!
Beschreibung
 
           
          