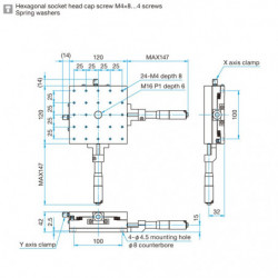
OSE-TAM-1202: XY -Achsen, 120 x 120 mm
 
        
          
										
										
									
                                
                              
      
  
Artikel-Nr.: OSE-TAM-1202C
 
        
           
           
          Artikel-Nr.: OSE-TAM-1202C
 
          
                Für mehr Infos
                Experten kontaktieren
            
Optik & Optomechanik Team 
Tel.: +49 8153 405-11
Beschreibung