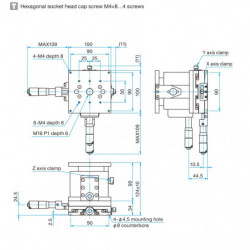
OSE-TSD-1005: XYZ -Achsen, 100 x 100 mm
 
        
          
										
										
									
                                
                              
      
  
Artikel-Nr.: OSE-TSD-1005C
 
        
           
           
          Artikel-Nr.: OSE-TSD-1005C
 
          
                Für mehr Infos
                Experten kontaktieren
            
Optik & Optomechanik Team 
Tel.: +49 8153 405-11
Beschreibung