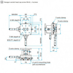
OSE-TSD-805: XYZ -Achsen, 80 x 80 mm

search
-->

Artikel-Nr.: OSE-TSD-805C

Modell
Mikrometerposition
Modell
Mikrometerposition
alt

Für mehr Infos
Experten kontaktieren

Optik & Optomechanik Team
Tel.: +49 8153 405-11

Beschreibung