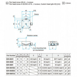
OSE-GOH-40A: Goniometers, 40 x 40 mm

search
-->

Reference number: OSE-GOH-40A15

Model
Version
Rotation Center Height in mm
Model
Version
Rotation Center Height in mm
alt

Need more info?
Contact our expert.

Optics & Optomechanics Team
Phone: +49 8153 405-11

Description