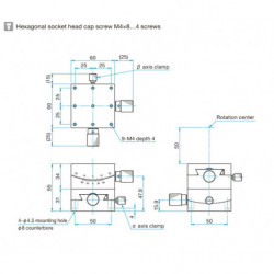
OSE-GOH-60B: Goniometers, 60 x 60 mm
 
        
          
										
										
									
                                
                              
      
  
Reference number: OSE-GOH-60B50
 
          
                Need more info?
                Contact our expert.
            
Optics & Optomechanics Team 
Phone: +49 8153 405-11
Write your question
check_circle Question sent
error Your question cannot be sent!
Description
 
           
          