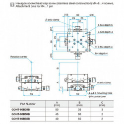
OSE-GOHT-60B: Goniometers, 60 x 60 mm

search
-->

Reference number: OSE-GOHT-60B35B

Model
Rotation Center Height in mm
Model
Rotation Center Height in mm
alt

Need more info?
Contact our expert.

Optics & Optomechanics Team
Phone: +49 8153 405-11

Description