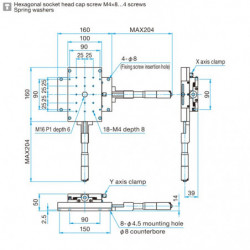
OSE-TAM-10162: XY axis, 100 x 160 mm

search
-->

Reference number: OSE-TAM-10162C

Model
Version
Micrometer Position
Model
Version
Micrometer Position
alt

Need more info?
Contact our expert.

Optics & Optomechanics Team
Phone: +49 8153 405-11

Description