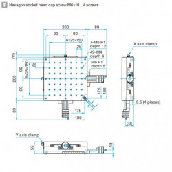
OSE-TAMC-2: XY axis, 200 x 200 mm

search
-->

Reference number: OSE-TAMC-20202

Option
Table Size in mm
Version
Option
Table Size in mm
Version
alt

Need more info?
Contact our expert.

Optics & Optomechanics Team
Phone: +49 8153 405-11

Description