EOP-CH-20 Resonanter Chopper mit Tuning Fork
 
        
          Artikel-Nr.: EOP-CH-20
Der Stimmgabelchopper ist ein elektromechanisch angetriebener Lichtchopper mit FIXED FREQUENCY
 
        
           
           
          Artikel-Nr.: EOP-CH-20
Der Stimmgabelchopper ist ein elektromechanisch angetriebener Lichtchopper mit FIXED FREQUENCY
 
          
                Für mehr Infos
                Experten kontaktieren
            
Optik & Optomechanik Team 
Tel.: +49 8153 405-11
Beschreibung
Flügel, die an beweglichen Zinken einer Gabel befestigt sind, modulieren einen Lichtstrahl. Der Zerhacker arbeitet mit der natürlichen Resonanzfrequenz, die durch die effektive Masse der beweglichen Einheit und die Federkonstante der Zinken festgelegt wird.
Die Chopper-Frequenz reicht von 10 Hz bis 6 kHz, Aperturen bis zu 15 mm sind in den unteren Frequenzen (unter 100 Hz), 0,5 mm bei 3 kHz und 0,2 mm bei 6 kHz praktikabel. Wenn die Strahlgröße die Chopper-Rate begrenzt, sollten Sie den Chopper fokussieren, um die Strahlgröße zu reduzieren. Die Amplitude der Bewegung des Zerhackers ist umgekehrt proportional zu seiner Frequenz. Dunkle oder helle Flügel sind Standard; Spiegel, Objektive oder Gitter optional.
Geringe Kosten, kompakte Größe, geringes Gewicht und praktisch unbegrenzte Lebensdauer machen die Stimmgabel-Chopper besonders geeignet für spezielle Anwendungen, OEM, eingebaut in ein Instrument oder System und für tragbare Systeme.
Ein ausgewogener Betrieb und ein hohes „Q“ stellen eine ausgezeichnete Frequenzstabilität, eine niedrige elektrische Antriebsleistung und gering Reaktionskräfte sicher. Hohe Biegesteifigkeit bietet eine gute Beständigkeit gegen Stöße und Vibrationen. Stimmgabel-Chopper sind kryogen und hochtemperaturbeständig (200 °C).
Ein ausgewogener Betrieb und ein hohes "Q" stellen eine ausgezeichnete Frequenzstabilität, eine niedrige elektrische Antriebsleistung und geringe Reaktionskräfte sicher. Hohe Biegesteifigkeit bietet eine gute Beständigkeit gegen Stöße und Vibrationen. Stimmgabel-Chopper sind kryogen und hochtemperaturbeständig (200 ° C).
Der EOP-ED-Treiber und der EOP-AGC-Treiber sind beide Stimmgabeloszillatoren, die den Chopper als Frequenzquelle verwenden. Der AGC-Treiber bietet auch eine hohe Amplitudenstabilität (0,005 %) und sowohl Sinus- als auch TTL-Referenzsignale.
Der EOP-PLD-1C-Treiber synchronisiert den Chopper phasenstarr mit einem externen Taktsignal.
Der EOP-PLD-2C-Treiber phasenverriegelt zwei Chopper in einem „Master / Slave“-Abschneide-System.
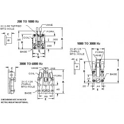
| Modell | Frequenz (Hz) | A: Länge (Zoll) | B: Breite | C: Höhe (Zoll) | D: Länge (Zoll) | E: Breite (Zoll) | 
| EOP-CH-20 | 200 – 400 | 1,70 | 0,68 | 0,35 | 0,78 | 0,10 | 
| EOP-CH-20 | 400 – 800 | 1,40 | 0,68 | 0,35 | 0,78 | 0,06 | 
| EOP-CH-20 | 800 – 1000 | 1,30 | 0,68 | 0,35 | 0,78 | 0,04 | 
| EOP-CH-20 | 1000 – 1200 | 1,62 | 0,68 | 0,30 | 1,13 | 0,03 | 
| EOP-CH-20 | 1200 – 1500 | 1,52 | 0,68 | 0,30 | 1,13 | 0,03 | 
| EOP-CH-20 | 1500 – 1700 | 1,33 | 0,68 | 0,30 | 1,13 | 0,02 | 
| EOP-CH-20 | 1700 – 2000 | 1,25 | 0,68 | 0,30 | 1,13 | 0,02 | 
| EOP-CH-20 | 2000 – 2500 | 1,25 | 0,68 | 0,30 | 1,13 | 0,01 | 
| EOP-CH-20 | 2500 – 3000 | 1,06 | 0,68 | 0,30 | 1,13 | 0,007 | 
| EOP-CH-20 | 3000 | 0,96 | 0,68 | 0,30 | 1,13 | 0,006 | 
| EOP-CH-20 | 3000 - 6000 | 1,25 | 0,88 | 0,39 | 1,25 | 0,875 |