EOP-DSH-10-110 Driver
 
        
          Reference number: EOP-DSH-10-110
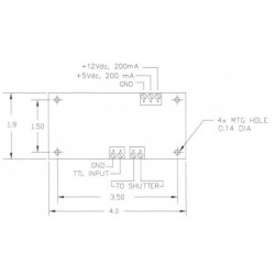
The EOP-DSH-10-110 driver was designed specifically to operate the EOP-SH-10 Laser Safety Shutter
 
        
           
           
           
          Reference number: EOP-DSH-10-110
The EOP-DSH-10-110 driver was designed specifically to operate the EOP-SH-10 Laser Safety Shutter
 
          
                Need more info?
                Contact our expert.
            
Optics & Optomechanics Team 
Phone: +49 8153 405-11
Description
The driver includes a three position control switch. In the „OPEN“ position, the shutter is continuously open. In the middle position, the shutter is continuously closed. In  the „TTL“ position, an external TTL signal controls the shutter. A high or open circuit at the TTL input sets the shutter in the closed position. A low or short to ground at the TTL signal sets the shutter in the open position.