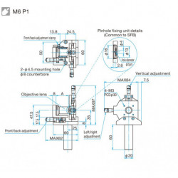
OSE-SFB: OSE-SFB-16RO-OBL10-25: Spatial Filter Holders

search
-->

Reference number: OSE-SFB-16RO-OBL10-25

Objective Lens Length A in mm
Type
Objective Lens Length A in mm
Type
alt

Need more info?
Contact our expert.

Optics & Optomechanics Team
Phone: +49 8153 405-11

Description