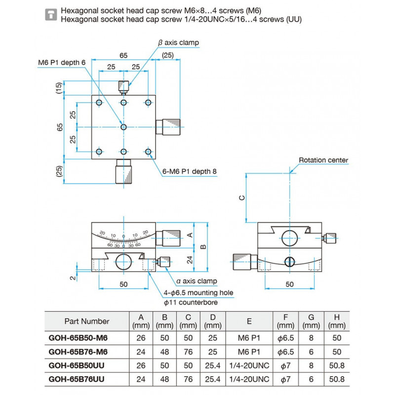
OSE-GOH-65B: Goniometers, 65 x 65 mm
 
        
          
										
										
									
                                
                              
      
  
Reference number: OSE-GOH-65B50-M6
 
        
           
          Reference number: OSE-GOH-65B50-M6
 
          
                Need more info?
                Contact our expert.
            
Optics & Optomechanics Team 
Phone: +49 8153 405-11
Description