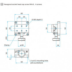
OSE-TAR-1: X axis, 34 x 60 mm

search
-->

Reference number: OSE-TAR-34601

Option
Table Size in mm
Version
Option
Table Size in mm
Version
alt

Need more info?
Contact our expert.

Optics & Optomechanics Team
Phone: +49 8153 405-11

Description