EOP-SC-30 Resonanter optischer Scanner
 
        
          Artikel-Nr.: EOP-SC-30
Diese speziellen Festfrequenz-Scanner sind sehr kompakt, preiswert und eignen sich besonders gut für kleine Geräte und Aufbauten mit beengten Raumverhältnissen
 
        
           
           
          Artikel-Nr.: EOP-SC-30
Diese speziellen Festfrequenz-Scanner sind sehr kompakt, preiswert und eignen sich besonders gut für kleine Geräte und Aufbauten mit beengten Raumverhältnissen
 
          
                Für mehr Infos
                Experten kontaktieren
            
Optik & Optomechanik Team 
Tel.: +49 8153 405-11
Beschreibung
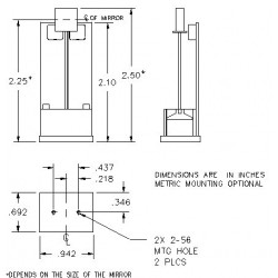
Diese speziellen Festfrequenz-Scanner sind sehr kompakt, preiswert und eignen sich besonders gut für kleine Geräte und Aufbauten mit beengten Raumverhältnissen. Der geringe Betriebsstrom ermöglicht den Einsatz in tragbaren Geräten.
Spiegel aus Glas sind Standard. Metallspiegel, Gitter, Linsen oder andere optische Elemente sind als optional erhältlich. Ebenfalls erhältlich sind Spiegel für UV-, IR- und VIS- Anwendungen.
Da diese Komponenten keine Verschleißteile enthalten, bieten sie eine sehr gute Wiederholgenauigkeit und lange Lebensdauer.
Anwendungsbeispiele:
Zum Betrieb bei der eigenen Resonanzfrequenz eignen sich die Treiber vom Typ EOP-ED und EOP-AGC, welche das Scannersignal über eine Rückkopplung verstärken. Der AGC-Treiber bietet außerdem eine höhere Amplitudenstabilität (0,01 %) und ein Ausgangssignal für die Position des Scanspiegels.
Der Treiber EOP-PLD-1S ermöglicht den gleichphasigen, synchronen Betrieb zu einem externen Signalgeber.
Der Treiber EOP-PLD-2S ermöglicht den gleichphasigen, synchronen Betrieb von zwei Scannern in einem „Master / Slave“-Scan-System.
Der Treiber EOP-PLD-2XY ermöglicht den gleichphasigen Betrieb von zwei Scannern in einem „XY“-Scan-System.
Spezielle Konfigurationen wie modulierende Wellenformen sind auf Anfrage ebenfalls erhältlich.
| Modell | Frequenz (Hz) | Scanwinkel | Spiegelgröße (mm) | 
| EOP-SC-30 | 200 – 750 | 30° | 25 x 25 – 10 x 10 | 
| EOP-SC-30 | 751 – 4000 | 20° | 10 x 10 – 8 x 9 | 
| EOP-SC-30 | 4001 – 6000 | 16° | 8 x 9 – 7 x 8 | 
| EOP-SC-30 | 6001 – 8000 | 12° | 7 x 8 – 5 x 6 | 
| EOP-SC-30 | 8001 – 10000 | 12° | 5 x 6 – 4 x 5 | 
| EOP-SC-30 | 10001 – 15900 | 6° | 4 x 5 – 3 x 4 | 
| EOP-SC-30 | 16000 | 5° | 3 x 4 |