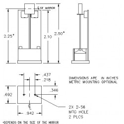
EOP-SC-30 Resonant optical scanner
Reference number: EOP-SC-30
These special fixed-frequency scanners are very compact, inexpensive and are particularly well suited for small devices and constructions in confined spaces
Reference number: EOP-SC-30
These special fixed-frequency scanners are very compact, inexpensive and are particularly well suited for small devices and constructions in confined spaces
Need more info?
Contact our expert.
Optics & Optomechanics Team
Phone: +49 8153 405-11
Description
These special fixed-frequency scanners are very compact, inexpensive and are particularly well suited for small devices and constructions in confined spaces. The low operating current allows use in portable devices.
Glass mirrors are standard. Metal mirrors, grids, lenses or other optical elements are available as optional. Also available are mirrors for UV-, IR- und VIS- applications.
Since these components contain no wearing parts, they offer a very good repeatability and long life.
Application examples:
To operate at its own resonant frequency, the drivers of type EOP-ED and EOP-AGC, which amplify the scanner signal via a feedback suitable. The AGC driver also provides a higher amplitude stability (0.01%) and an output signal for the position of the scan mirror.
The EOP-PLD-1S driver enables in-phase, synchronous operation with an external signal generator.
The EOP-PLD-2S driver enables in-phase, synchronous operation of two scanners in a "master / slave" scan system.
The EOP-PLD-2XY driver enables in-phase operation of two scanners in an „XY“-Scan-System.
Special configurations such as modulating waveforms are also available upon request.
| Model | Frequency (Hz) | Scan angle | Mirror size (mm) |
| EOP-SC-30 | 200 – 750 | 30° | 25 x 25 – 10 x 10 |
| EOP-SC-30 | 751 – 4000 | 20° | 10 x 10 – 8 x 9 |
| EOP-SC-30 | 4001 – 6000 | 16° | 8 x 9 – 7 x 8 |
| EOP-SC-30 | 6001 – 8000 | 12° | 7 x 8 – 5 x 6 |
| EOP-SC-30 | 8001 – 10000 | 12° | 5 x 6 – 4 x 5 |
| EOP-SC-30 | 10001 – 15900 | 6° | 4 x 5 – 3 x 4 |
| EOP-SC-30 | 16000 | 5° | 3 x 4 |